Om een part toe te voegen aan het content center moet je twee stappen doorlopen. Je moet het part 'authoren' waarbij je alle nodige parameters linkt met model en user parameters en waarbij je alle relevante part informatie zoals standaard organisatie invult. Daarna moet het part 'gepublished' worden. Je kan dit doen onmiddellijk nadat je het part 'ge-authored' hebt of je kan dit later doen en via 'Batch Publish' meerdere parts in 1 keer naar het Content Center brengen.
Je kan geen Assemblies naar het content center brengen, enkel Parts en iParts kunnen gepubliceerd worden naar het content center. Je publiceert altijd parts naar een eigen read/write library. Bij het publiceren van een iPart worden alle individuele members omgezet naar members in de family table.
De nodige functies vinden we terug in het Manage tabblad van de ribbon.

Bij het 'authoren' van een part moeten we kiezen voor welke design accelerator of environment onze part bedoeld is. Iedere omgeving heeft verschillende vereisten, maar de stappen die gevolgd moeten worden zijn gelijklopend.

Stap 1. Maak een schets
Voor het maken van een structural shape hebben we een schets nodig met het nodige profiel. De vereiste parameters zijn B_L voor de minimum lengte, G_L, G_OFFSET_START en G_OFFSET_END. Tijdens de volgende stappen zullen deze automatisch toegevoegd worden, maar we kunnen deze ook op voorhand toevoegen om hier meer controle over te hebben.

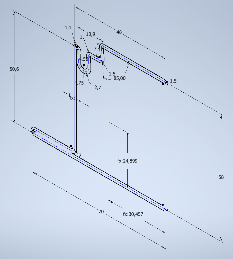
Stap 2. Maak de 3D vorm
In deze stap kunnen we de B_L parameter gebruiken om de minimum lengte van ons profiel te geven. We maken een extrusie van ons profiel waarbij we aan beide zijden extruderen. Ken een materiaal toe aan je part en sla de part op.

Stap 3. Author de part
Ga naar Manage -> Author -> Structural Shape en start het authoring proces voor de part.
In het Layout tabblad van het 'Structural Shape Authoring' dialoogvenster kies je de categorie voor je profiel. In dit geval kies je 'Other'. Vervolgens moet je 3 zaken selecteren.
- Base Extrusion -> selecteer de extrusie.
- Default Base Point -> selecteer een work point of selecteer de origin van je part met de optie 'Select Geometry'
- Notch Profile -> dit is optioneel, je kan een andere contour uit je schets hiervoor selecteren of dezelfde contour als je basis profiel. Deze contour wordt gebruikt om kruisende profielen af te snijden met het notch commando in Frame Generator. Selecteer ook de interne vlakken zodat het Notch profiel volledig opgevuld is. Je kan dit controleren in de Selection Preview.

In het Parameter Mapping tabblad kan je de verplichte en optionele parameters linken met model en user parameters of iproperties van je part.
Hier link ik de B_L parameter met de Base Length parameter, dit is de enige verplichte parameter die gelinkt moet worden en staat daarom in geel. De andere verplichte parameters worden automatisch geplaatst.

Andere parameters die je wil weergeven in je model kan je hier nu ook linken.

Je kan klikken op OK om dit te bevestigen of je kan onmiddellijk doorklikken naar de volgende stap door te klikken op 'Publish now'. Er verschijnt een melding dat alle nodige aanpassingen voor het authoren van de part opgeslagen worden in een .log bestand.
In de achtergrond zijn er twee work planes en een driven length toegevoegd aan het part en de G_L, G_OFFSET_START en G_OFFSET_END parameters zijn toegevoegd om de posities van die workplanes en hun onderlinge afstand te bepalen.

Stap 4. Publish
Ga naar Manage -> Content Center -> Publish Part
Selecteer de read/write library waarin het part gepubliceerd moet worden. In de volgende stap selecteer je de categorie waarin je wil publiceren. Deze zou al beslist zijn door je keuze tijdens de vorige stap.
In de derde stap kunnen we verder parameters linken. Vervolgens bepaal je één of meerdere key parameters, en als voorlaatste stap bepaal je de standaard organisatie, omschrijving etc...

Op het einde kan je nog de thumbnail bepalen die gebruikt zal worden in het content center, klik op Publish om het hele proces af te ronden en je part naar je read/write library te publiceren. Sla je part op en sluit het af.
Stap 5. Test je part
Vooraleer af te ronden is het best om je family table te bekijken in de content center editor en je nieuwe part te proberen in de frame generator. Als alles goed werkt kan je verder gaan met je volgende part.
Omdat mijn key parameter de 'Base Length' was wordt mijn FileName ingevuld met dezelfde waarde. Dit kan ik wijzigen in de content center editor. Open de tabel, maak van de Part Number kolom ook een Key parameter en wijzig de FileName column properties naar keuze.

Best zorg je ervoor dat je FileName altijd zo uniek mogelijk is zodat je geen conflict kan krijgen met andere parts uit andere families.

Sla de wijzigingen op.
Maak een assembly aan met daarin een basis-schets (dit mag een part met een schets zijn) om je nieuwe profiel te testen met behulp van Frame Generator.

Veel plezier!!!
Om meer te weten over Inventor & andere Autodesk Software, volg onze opleidingskalender.